Merkmale
- Breitbandige Entstörung durch kapazitätsarme Wickeltechnik
- Hohe Störunterdrückung asymmetrischer Störsignale auch im Niederfrequenzbereich
- Sehr kompakte Bauform
- Höchstmögliche Stromstärken bei kleinen Baugrößen
- Betriebstemperatur: –40 ºC bis +125 ºC
- Brennbarkeit gemäß UL 94 V-0
- Klimakategorie: 40/125/21
- VDE zertifiziert nach IEC 60938-2
Anwendung
- Leistungselektronik
- Netzein- und Ausgangsfilter
- Entstörung von Geräten ohne Masseanschluss
- Motorentstörung
- Gleichtakt-Störer
Application Notes
Artikeldaten
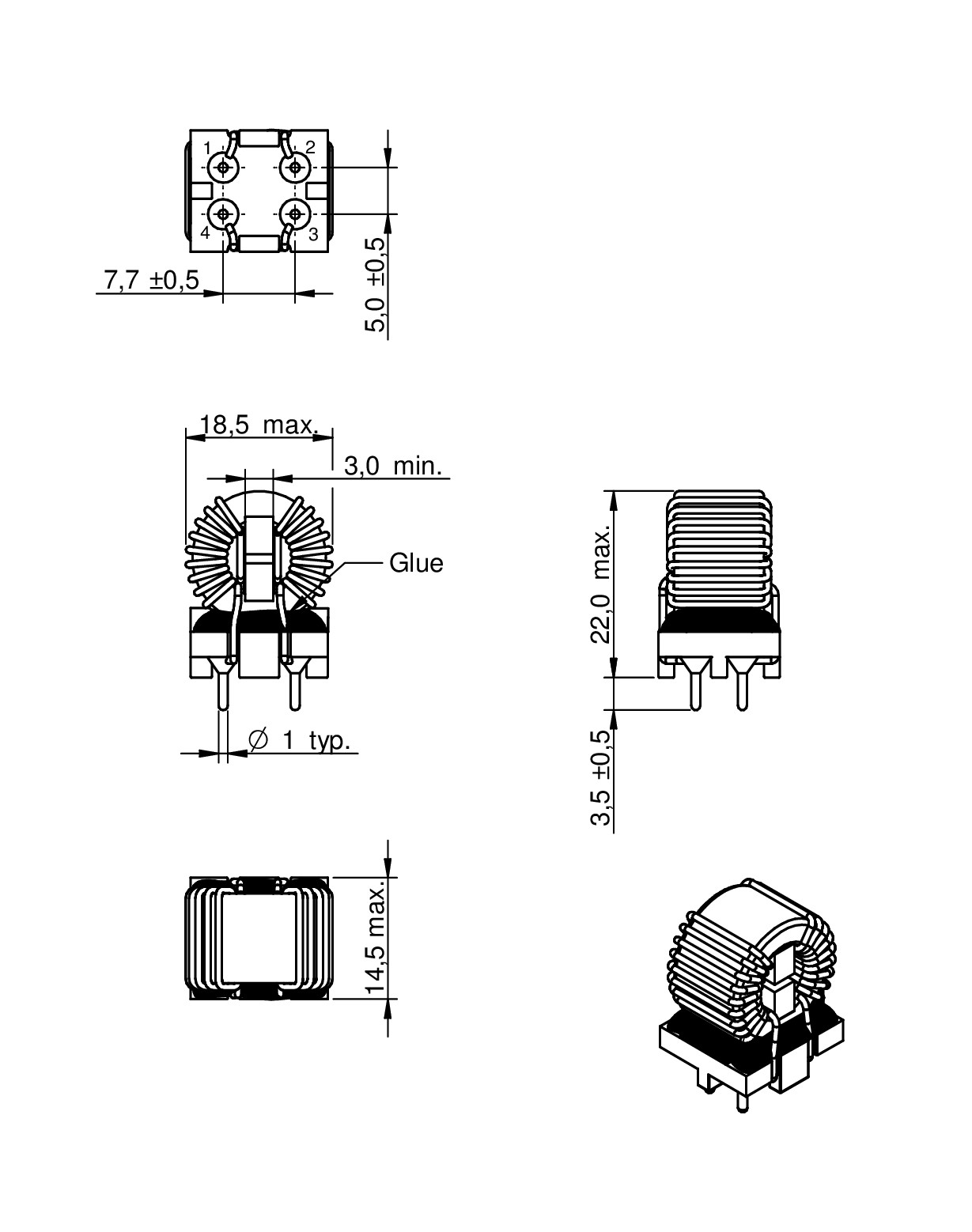
Type S
| Artikel Nr. | Datenblatt | Simulation | Downloads | Status | IR (A) | L (mH) | RDC max. (mΩ) | VR (V (AC)) | VT (V (AC)) | Material | L (mm) | W (mm) | H (mm) | Montageart | Design Kit | Muster |
|---|---|---|---|---|---|---|---|---|---|---|---|---|---|---|---|---|
| 7448225007 | SPEC | 10 Dateien | Aktiv i| Produktion ist aktiv. Erwartete Lebenszeit: >10 Jahre. | 5 | 0.7 | 15 | 250 | 1500 | MnZn | 18.5 | 14.5 | 22 | THT | 744821 | ||
| 7448226404 | SPEC | – | 9 Dateien | Aktiv i| Produktion ist aktiv. Erwartete Lebenszeit: >10 Jahre. | 6.4 | 0.35 | 10 | 250 | 1500 | MnZn | 18.5 | 14.5 | 22 | THT | – | |
| 7448227005 | SPEC | 10 Dateien | Aktiv i| Produktion ist aktiv. Erwartete Lebenszeit: >10 Jahre. | 6.5 | 0.45 | 10 | 250 | 1500 | MnZn | 18.5 | 14.5 | 22 | THT | 744821 | ||
| 7448228002 | SPEC | – | 9 Dateien | Aktiv i| Produktion ist aktiv. Erwartete Lebenszeit: >10 Jahre. | 8 | 0.175 | 6 | 250 | 1500 | MnZn | 18.5 | 14.5 | 22 | THT | – |
| Muster |
|---|
| Artikel Nr. | Datenblatt | Simulation | Downloads | Status | IR (A) | L (mH) | RDC max. (mΩ) | VR (V (AC)) | VT (V (AC)) | Material | L (mm) | W (mm) | H (mm) | Montageart | Design Kit | Muster |
|---|
Sortimente
Artikel dieser Produktserie finden Sie in den folgenden Sortimenten:
Videos
Wie man EMV Probleme löst! || Das Mysterium des surrenden Lautsprechers
Videos
Würth Elektronik Webinar: EMV-Filter - Von der Komponente bis zum Design


