ÜbersichtAlle ProduktbereicheProduktbereichPassive BauelementeProduktgruppeEMV-BauelementeProduktfamilieStromkompensierte Drosseln für NetzanwendungenProduktserieWE-CMB NiZn Stromkompensierte Netzdrossel

WE-CMB NiZn Stromkompensierte Netzdrossel

WE-CMB NiZn Stromkompensierte Netzdrossel
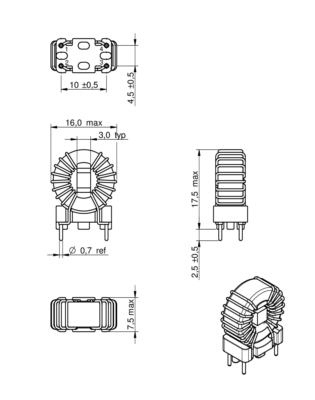
Bauform Maße 3DL
(mm)
H
(mm)
W
(mm)
Montageart
Type XS 16 17.5 7.5 THT
Type S 18.5 22 14.5 THT

Merkmale

  • Kernmaterial: Nickel-Zink Ferrite
  • Störunterdrückung asymmetrischer Störanteile im mittleren und hohen Frequenzbereich
  • Erhöht die Störfestigkeit bei HF-Einstrahlung und Burst-Signalen
  • Sehr kompakte Bauform
  • Entstörungswirkung bis ca. 300 MHz
  • Betriebstemperatur: –40 ºC bis +125 ºC
  • Brennbarkeit gemäß UL 94 V-0
  • Klimakategorie: 40/125/21
  • VDE zertifiziert nach IEC 60938-2

Anwendung

  • Leistungselektronik
  • Netzfilter
  • Optimiert gegen Burst-Impulse

Artikeldaten

Alle
Type XS
Type S
Artikel Nr. Daten­blatt Simu­lation Downloads StatusIR
(A)
L
(µH)
RDC max.
(mΩ)
VR
(V (AC))
VT
(V (AC))
MaterialL
(mm)
W
(mm)
H
(mm)
MontageartDesign Kit Muster
744841210SPEC
9 Dateien Aktiv i| Produktion ist aktiv. Erwartete Lebenszeit: >10 Jahre. 1.5 100 80 250 1500 NiZn 16 7.5 17.5 THT744821
744841247SPEC
9 Dateien Aktiv i| Produktion ist aktiv. Erwartete Lebenszeit: >10 Jahre. 2 47 40 250 1500 NiZn 16 7.5 17.5 THT744821
744841330SPEC
9 Dateien Aktiv i| Produktion ist aktiv. Erwartete Lebenszeit: >10 Jahre. 3 30 26 250 1500 NiZn 16 7.5 17.5 THT744821
744841414SPEC
9 Dateien Aktiv i| Produktion ist aktiv. Erwartete Lebenszeit: >10 Jahre. 4 14 15 250 1500 NiZn 16 7.5 17.5 THT744821
7448421016SPEC
9 Dateien Aktiv i| Produktion ist aktiv. Erwartete Lebenszeit: >10 Jahre. 10 16 3 250 1500 NiZn 18.5 14.5 22 THT744821
744842311SPEC
9 Dateien Aktiv i| Produktion ist aktiv. Erwartete Lebenszeit: >10 Jahre. 3 110 34.1 250 1500 NiZn 18.5 14.5 22 THT744821
744842565SPEC
9 Dateien Aktiv i| Produktion ist aktiv. Erwartete Lebenszeit: >10 Jahre. 5 65 14.3 250 1500 NiZn 18.5 14.5 22 THT744821
744842632SPEC
8 Dateien Aktiv i| Produktion ist aktiv. Erwartete Lebenszeit: >10 Jahre. 5.5 32 8.3 250 1500 NiZn 18.5 14.5 22 THT
744842742SPEC
9 Dateien Aktiv i| Produktion ist aktiv. Erwartete Lebenszeit: >10 Jahre. 6.5 42 9 250 1500 NiZn 18.5 14.5 22 THT744821
744842816SPEC
8 Dateien Aktiv i| Produktion ist aktiv. Erwartete Lebenszeit: >10 Jahre. 7.5 16 5.5 250 1500 NiZn 18.5 14.5 22 THT
744842932SPEC
9 Dateien Aktiv i| Produktion ist aktiv. Erwartete Lebenszeit: >10 Jahre. 8.5 32 6 250 1500 NiZn 18.5 14.5 22 THT744821
Artikel Nr. Daten­blatt Simu­lation
744841210SPEC
744841247SPEC
744841330SPEC
744841414SPEC
7448421016SPEC
744842311SPEC
744842565SPEC
744842632SPEC
744842742SPEC
744842816SPEC
744842932SPEC
Muster
Artikel Nr. Daten­blatt Simu­lation Downloads StatusIR
(A)
L
(µH)
RDC max.
(mΩ)
VR
(V (AC))
VT
(V (AC))
MaterialL
(mm)
W
(mm)
H
(mm)
MontageartDesign Kit Muster

Sortimente

Artikel dieser Produktserie finden Sie in den folgenden Sortimenten:

Videos

Wie man EMV Probleme löst! || Das Mysterium des surrenden Lautsprechers

Videos

Würth Elektronik Webinar: EMV-Filter - Von der Komponente bis zum Design