Merkmale
- Die Kapazität zwischen den Wicklungen beträgt bis zu <1 pF
- Winziges SMD EP7-Gehäuse
- Dielektrische Isolationsspannung bis zu 4 kV
- Basisisolierung für 568 Vrms / 800 Vpk
- Sicherheitsstandard: IEC62368-1 /IEC61558-2-16
- AEC-Q200 Qualifizierung
- Betriebstemperatur: -40 °C bis zu +130 °C
- Steuerspannungen für viele gängige SiC-MOSFET's
- Hohe Gleichtakt-Transienten-Immunität (CMTI)
- Flyback-, LLC- und Halbbrückentopologien
- Bis zu 6 W Ausgangsleistung
- Weiter Eingangsspannungsbereich 6 V bis 36 V
- Verschiedene unipolare und bipolare Ausgangsspannungen
- Hoher Wirkungsgrad und sehr kompakt
- Referenzdesigns mit Analog Devices, Texas Instruments, und onsemi
Referenzdesigns
Anwendung
- Industrielle Antriebe
- AC-Motor-Umrichter
- HEV/EV charging station
- Batterie Ladegeräte
- Solar-Wechselrichter
- Rechenzentren
- Unterbrechungsfreie Stromversorgungen
- Wirkleistungsfaktor-Korrektur
- SiC-MOSFET-basierte Leistungskonverter
Artikeldaten
| Artikel Nr. | Datenblatt | Simulation | Downloads | Status | Vin (V) | VOut1 (V) | VOut2 (V) | VOut3 (V) | Vaux (V) | PO (W) | CWW 1 (pF) | L (µH) | ISAT (A) | ∫Udt (Vµs) | fswitch (kHz) | n | Version | IC-Referenz | Referenzdesign | Muster |
|---|---|---|---|---|---|---|---|---|---|---|---|---|---|---|---|---|---|---|---|---|
| 750319282 | SPEC | 9 Dateien | Aktiv i| Produktion ist aktiv. Erwartete Lebenszeit: >10 Jahre. | 6 - 18 | 20 | 5 | 5 | 5 | 1.5 | 6.4 | 42 | 1.2 | – | 150 | 1.56:3.89:1:1:1 | Flyback | NCV(P)3064 | Onsemi | ||
| 750319836 | SPEC | – | 9 Dateien | Aktiv i| Produktion ist aktiv. Erwartete Lebenszeit: >10 Jahre. | 6 | 9 | – | – | – | – | 2 | 23 | – | 40 | 500 | 1:1.57 | LLC | UCC25800 | – | |
| 750318616 | SPEC | 9 Dateien | Aktiv i| Produktion ist aktiv. Erwartete Lebenszeit: >10 Jahre. | 7 - 31 | 27 | – | – | 13 | 2.7 | 3.25 | 10 | 2 | – | 400 | 1.2:2:1 | Flyback | STGAP4S | – | ||
| 750319177 | SPEC | – | 9 Dateien | Aktiv i| Produktion ist aktiv. Erwartete Lebenszeit: >10 Jahre. | 7.5 | 13 | – | – | – | 4.55 | 0.68 | 16.5 | – | 36 | 500 | 1:1.67 | LLC | UCC25800 | Texas Instruments | |
| 750319834 | SPEC | – | 9 Dateien | Aktiv i| Produktion ist aktiv. Erwartete Lebenszeit: >10 Jahre. | 7.5 | 7.5 | – | – | – | – | 2.6 | 67 | – | 70 | 500 | 1:1.08 | LLC | UCC25800 | Texas Instruments | |
| 750319835 | SPEC | – | 9 Dateien | Aktiv i| Produktion ist aktiv. Erwartete Lebenszeit: >10 Jahre. | 7.5 | 9 | – | – | – | – | 2.1 | 23 | – | 40 | 500 | 1:1.29 | LLC | UCC25800 | Texas Instruments | |
| 750318131 | SPEC | 10 Dateien | Aktiv i| Produktion ist aktiv. Erwartete Lebenszeit: >10 Jahre. | 9 - 18 | 15 | -4 | – | – | 6 | 7.5 | 7 | 5 | – | 350 | 2.25:3.5:1 | Flyback | LT8302 | Analog Devices | ||
| 750318114 | SPEC | 10 Dateien | Aktiv i| Produktion ist aktiv. Erwartete Lebenszeit: >10 Jahre. | 9 - 18 | 19 | – | – | – | 6 | 6.8 | 6 | 6.2 | – | 350 | 1:2 | Flyback | LT8302 | Analog Devices | ||
| 750317894 | SPEC | 10 Dateien | Aktiv i| Produktion ist aktiv. Erwartete Lebenszeit: >10 Jahre. | 9 - 18 | 15 | -4 | – | – | 3 | 7 | 18 | 1.6 | – | 350 | 2.25:3.5:1 | Flyback | LM5180 | Texas Instruments | ||
| 750317893 | SPEC | 10 Dateien | Aktiv i| Produktion ist aktiv. Erwartete Lebenszeit: >10 Jahre. | 9 - 18 | 19 | – | – | – | 3 | 6.8 | 18 | 1.95 | – | 350 | 1:2 | Flyback | LM5180 | Texas Instruments | ||
| 750319497 | SPEC | 9 Dateien | Aktiv i| Produktion ist aktiv. Erwartete Lebenszeit: >10 Jahre. | 9 - 18 | 19 | 4 | – | – | 6 | 7.5 | 7 | 4.5 | – | 350 | 2.25:4.25:1 | Flyback | LT8302 | Analog Devices | ||
| 750319496 | SPEC | 9 Dateien | Aktiv i| Produktion ist aktiv. Erwartete Lebenszeit: >10 Jahre. | 9 - 18 | 20 | 5 | – | – | 6 | 7.3 | 7 | 4.5 | – | 350 | 1.8:3.6:1 | Flyback | LT8302 | Analog Devices | ||
| 750319077 | SPEC | 9 Dateien | Aktiv i| Produktion ist aktiv. Erwartete Lebenszeit: >10 Jahre. | 12 - 18 | 15 | 7.5 | 7.5 | 5 | 1.5 | 7.8 | 42 | 1.25 | – | 150 | 2:2.86:1.43:1.43:1 | Flyback | NCV(P)3064 | Onsemi | ||
| 750319331 | SPEC | – | 9 Dateien | Aktiv i| Produktion ist aktiv. Erwartete Lebenszeit: >10 Jahre. | 13 | 11.5 | – | – | – | 6 | 1.3 | 50 | – | 60 | 500 | 1:1 | LLC | UCC25800 | Texas Instruments | |
| 750319565 | SPEC | – | 9 Dateien | Aktiv i| Produktion ist aktiv. Erwartete Lebenszeit: >10 Jahre. | 15 | 30 | – | – | – | 3 | 2.1 | 256 | – | 72 | 250 | 1:2 | Half-Bridge | – | – | |
| 750319831 | SPEC | – | 9 Dateien | Aktiv i| Produktion ist aktiv. Erwartete Lebenszeit: >10 Jahre. | 15 | 6 | – | – | – | – | 2 | 56 | – | 64 | 500 | 2.2:1 | LLC | UCC25800 | Texas Instruments | |
| 750319832 | SPEC | – | 9 Dateien | Aktiv i| Produktion ist aktiv. Erwartete Lebenszeit: >10 Jahre. | 15 | 7.5 | – | – | – | – | 2 | 56 | – | 64 | 500 | 1.83:1 | LLC | UCC25800 | Texas Instruments | |
| 750319833 | SPEC | – | 9 Dateien | Aktiv i| Produktion ist aktiv. Erwartete Lebenszeit: >10 Jahre. | 15 | 12 | – | – | – | – | 2 | 67 | – | 70 | 500 | 1.2:1 | LLC | UCC25800 | Texas Instruments | |
| 750318208 | SPEC | 10 Dateien | Aktiv i| Produktion ist aktiv. Erwartete Lebenszeit: >10 Jahre. | 18 - 36 | 15 | -4 | – | – | 5 | 7 | 27 | 1.5 | – | 350 | 3.5:3.5:1 | Flyback | LM5180 | Texas Instruments | ||
| 750318207 | SPEC | 10 Dateien | Aktiv i| Produktion ist aktiv. Erwartete Lebenszeit: >10 Jahre. | 18 - 36 | 19 | – | – | – | 5 | 8.2 | 27 | 2 | – | 350 | 1:1.2 | Flyback | LM5180 | Texas Instruments |
| Artikel Nr. | Datenblatt | Simulation |
|---|---|---|
| 750319282 | SPEC | |
| 750319836 | SPEC | – |
| 750318616 | SPEC | |
| 750319177 | SPEC | – |
| 750319834 | SPEC | – |
| 750319835 | SPEC | – |
| 750318131 | SPEC | |
| 750318114 | SPEC | |
| 750317894 | SPEC | |
| 750317893 | SPEC | |
| 750319497 | SPEC | |
| 750319496 | SPEC | |
| 750319077 | SPEC | |
| 750319331 | SPEC | – |
| 750319565 | SPEC | – |
| 750319831 | SPEC | – |
| 750319832 | SPEC | – |
| 750319833 | SPEC | – |
| 750318208 | SPEC | |
| 750318207 | SPEC |
| Muster |
|---|
| Artikel Nr. | Datenblatt | Simulation | Downloads | Status | Vin (V) | VOut1 (V) | VOut2 (V) | VOut3 (V) | Vaux (V) | PO (W) | CWW 1 (pF) | L (µH) | ISAT (A) | ∫Udt (Vµs) | fswitch (kHz) | n | Version | IC-Referenz | Referenzdesign | Muster |
|---|
Drive hard. Drive safe.
Auxiliary Gate Drive Transformer
Mit der WE-AGDT-Serie von Würth Elektronik lassen sich diskrete SiC-Gate-Treiber-Designs einfacher als je zuvor realisieren. Bei diesen Bauteilen handelt es sich um kompakte SMT-Übertrager, die für SiC-Anwendungen optimiert sind. Mit einer extrem niedrigen Kapazität zwischen Primär- und Sekundärwicklung trägt der WE-AGDT zu einer höheren Immunität gegen Gleichtakt-Transiente (CMTI) bei.
Die Serie ist nach AEC-Q200 qualifiziert und entspricht den Sicherheitsstandards nach IEC62368-1 und IEC61558-2-16. Referenzdesigns sind für jeden WE-AGDT-Übertrager erhältlich. Die Komplettlösung ist kompakt und lässt sich vollautomatisch bestücken.

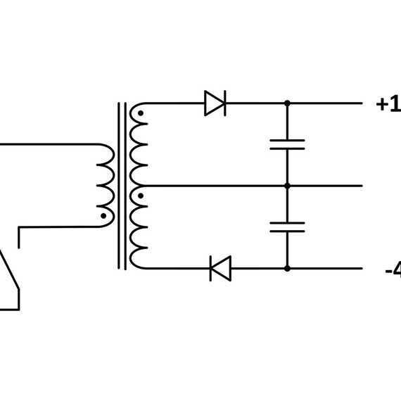
Einfluss der Kapazität zwischen Primär- und Sekundärwicklung

Minimierung von Gleichtaktströmen
SIC-MOSFETs haben das Potential extrem schnell zu schalten, was zu einem hohen dU/dt führt. Diese schnellen Schaltflanken wirken sich negativ auf die Isolationsbarrieren der angeschlossenen Transformatoren(Ciso-XFMR) und Isolierten Gate Treiber(Ciso-DRV) aus. Es werden dadurch Gleichtaktströme erzeugt, welche groß genug werden können um somit die Kontrolle über den SiC-MOSFET verlieren zu können.
Zudem werden unerwünschte Gleichtakt EMV Probleme verursacht, welche sich über das Gehäuse zur Erde schließen. Um diese dielektrischen Verschiebeströme zu minimieren ist es wichtig, die parasitäre Koppelkapazität immer möglichst klein zu halten.

Vergleich mit Standard-Transformatoren
Eines der wichtigsten Ziele der WE-AGDT-Transformatoren Entwicklung war, eine extrem niedrige Koppelkapazität zwischen der Primär-& Sekundärwicklung zu realisieren. Dadurch wird die Robustheit der Kundenapplikationen gegenüber schnellen Schaltflanken (dU/dt) deutlich erhöht. Somit sind ein höherer Wirkungsgrad, geringere EMV Probleme und niedrigere Systemkosten im Vergleich zu Transformatoren mit höherer Koppelkapazität problemlos möglich.
Die WE-AGDT Serie verfügt über weniger als die Hälfte der sonst üblichen Koppelkapazität und passt daher hervorragend zu modernen SiC-MOSFET und IGBT Anwendungen.
Referenzdesigns





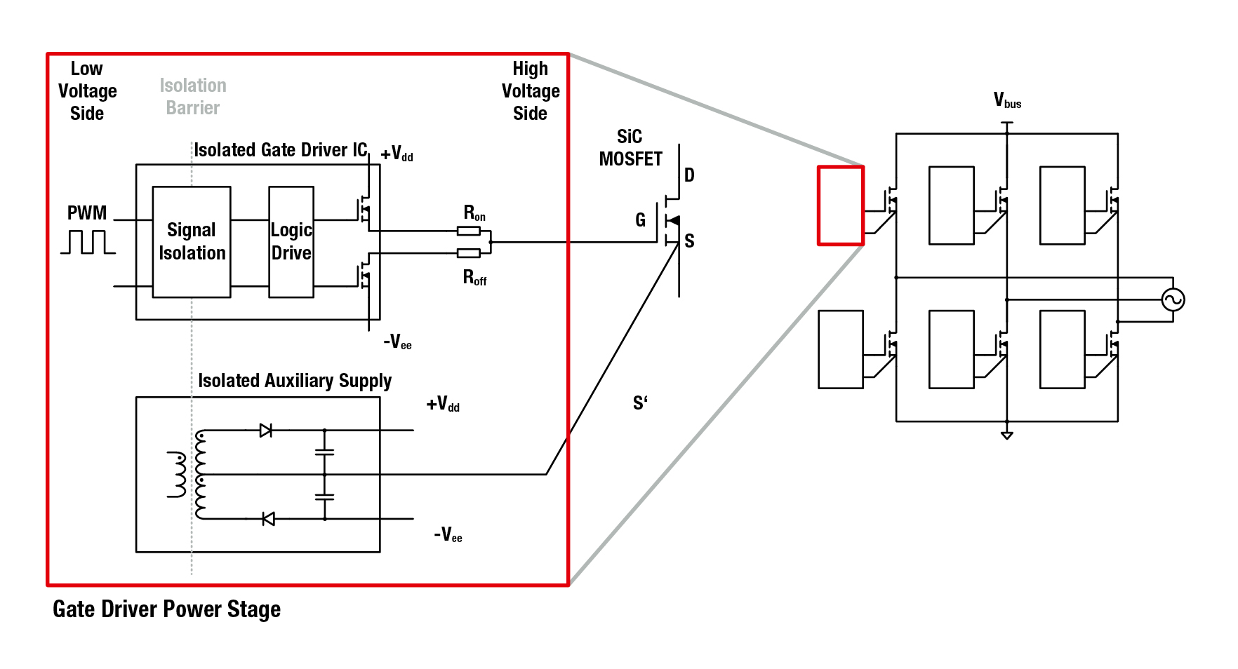
SiC-Gate Treiber System
Eine der Hauptanwendungen von Hochspannungs-SiC-MOSFETs und -IGBTs ist der Einsatz in Hochleistungs-Wechselrichtern und AC-Motorantrieben. Solche Leistungsstufen werden durch "Parallelisierung" mehrerer Halbbrückenkonfigurationen von SiC-Bauelementen aufgebaut, um die verschiedenen Phasenströme und Spannungen für die Last zu erzeugen.
Jeder der SiC-MOSFET hat typischerweise ein eigenes isoliertes Gate-Treibersystem, das aus dem Gate-Treiber-IC und der Hilfsversorgung gebildet wird (z.B. Würth Elektronik RD001 Referenzdesign mit WE-AGDT).

Applikationen





Auch interessant
Videos
WE meet @ Digital Days 2020: SiC Gate Driver Systems with WE-AGDT series



